《数字逻辑》课程设计
题目一:数字电子钟设计
设计任务及要求
- 任务
用计数器设计一个电子钟,显示时、分、秒。 - 要求
(1) 小时为 00-23 二十四进制计数器,分、秒为 00-59 六十进制计数器;
(2) 用八段数码管进行显示时、分、秒。
(3) 用 Logisim 画图,并进行仿真。要求能看到正确的时、分、秒信息。
(4) 先用 Logisim 软件仿真测试是否正确,再提交网站(EduCoder)测评。
实验条件
- Java Runtime Environment 环境
- Logisim虚拟数字电路仿真平台
设计过程
设计原理与思路
4位递增计数器的设计
数字电子钟的基本组成单元由4位递增计数器构成,在进行其他器件设计前,先要完成4位递增计数器的设计。
计数是一种最简单的基本运算。计数器就是实现这种运算的逻辑电路,计数器在数字系统中主要是对脉冲的个数进行计数,以实现测量、计数和控制的功能,同时兼有分频功能。计数器在数字系统中应用广泛,如在电子计算机的控制器中对指令地址进行计数,以便顺序取出下一条指令,等等。
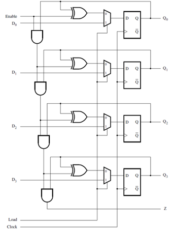
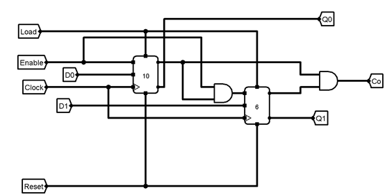
这里设计了一个带有同步置数、异步清零功能的4位同步递增计数器。
引脚说明:
| 信号 | 输入输出 | 位宽 | 说明 |
|---|---|---|---|
| Clock | 输入 | 1位 | 时钟脉冲,上升沿有效 |
| Reset | 输入 | 1位 | 异步清零端:Reset=1时,Q=0 |
| Enable | 输入 | 1位 | 使能端:Reset=0时,Enable=1递增计数、0保持 |
| Load | 输入 | 1位 | 同步置数端:Reset=0、Load=1、Clock上升沿时,Q=D |
| D | 输入 | 4位 | 并行数据加载端 |
| Q | 输出 | 4位 | 状态输出端 |
具有并行加载功能的计数器原理如下图所示:
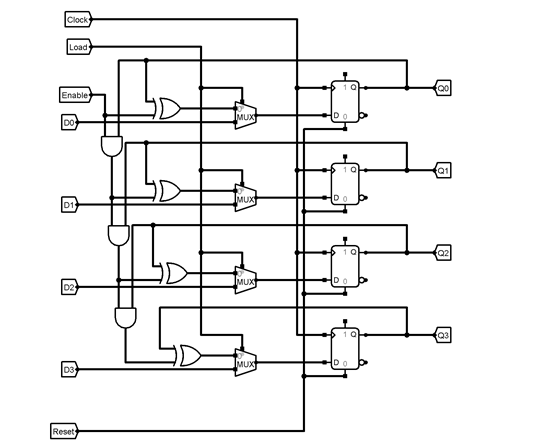
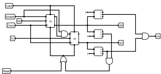
将4位递增计数器封装后的外观:
六进制计数器的设计
六进制计数器可由4位递增计数器构成,当4位递增计数器计数到6时,异步清零使Q=0,这样就完成了六进制计数器的功能。
六进制计数器是构成六十进制计数器的基础。
十进制计数器的设计
十进制计数器可由4位递增计数器构成,当4位递增计数器计数到10时,异步清零使Q=0,这样就完成了十进制计数器的功能。
十进制计数器是构成六十进制计数器的基础。
六十进制计数器的设计
六十进制计数器可由六进制计数器和十进制计数器构成,10进制计数器的进位输出端是六进制计数器的使能端(Enable)触发条件,每十次触发一次6进制计数器,而6进制计数器本身最大计数为6,这样就完成了六十进制计数器的功能。
六十进制计数器是构成数字电子钟的基础。
24进制计数器的设计
24进制计数器可由两个十进制计数器构成。
可用第一个十进制表示个位,记为计数器A。第二个十进制计数器表示十位,记为计数器B。
计数器A的进位输出端是计数器B的使能端(Enable)触发条件,每十次触发一次计数器B,同时,检测计数器A和B的状态输出端,当状态值为23时,使整个电路的进位输出端为1,当状态值为24时,异步清零,使计数器A和B的Q均为0。这样就完成了24进制计数器的功能。
24进制计数器是构成数字电子钟的基础。
数字电子钟的设计
数字电子钟由小时(0-23)、分钟(0-59)、秒(0-60)构成。
秒由六十进制计数器构成,计数的条件是时钟的滴答。所以,在实际仿真的时候,可以调整时钟频率为1Hz,使其符合1秒1次的计数规则。
分钟由六十进制计数器构成,计数的条件是当秒钟产生进位。
小时由24进制计数器构成,计数的条件是当分钟和秒钟同时产生进位。
在实际仿真中,用16进制数字显示器件(Hex Digit Display)显示上述器件产生的状态,这样就完成了数字电子钟的功能和设计。
逻辑电路图
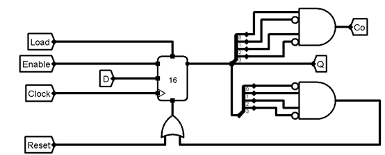
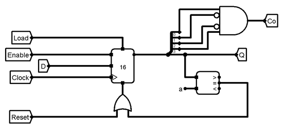
4位递增计数器:
六进制计数器:
十进制计数器:
六十进制计数器:
24进制计数器:
数字电子钟:
实验测试
将Clock信号,由手动点击改为时钟连续,将使能端Enable启动,然后进行测试:
题目二:路灯巡回检测器
设计任务及要求
- 任务
用 Verilog 语言设计 8 个路灯巡回检测电路。 - 要求
- 巡回检测 8 个路灯,并用 8 个 LED 灯显示好坏。路灯正常时对应的 LED 灯熄灭,路灯故障时对应的 LED 灯点亮;
- 能够迅速、准确地判出哪一个路灯坏,并用一个七段数码管显示出故障 灯的总数;
- 有启动停止开关。
- 自行绑定开发板的管脚,并下载到开发板上观察实际效果。
实验条件
- Verilog编程和EDA设计工具:Altera Quartus Ⅱ 11.0
- FPGA开发板:Altera DE2-115
设计过程
设计原理和思路
使用一个开关作为使能端,控制整个检测器的启动与停止。
当使能端关闭时,每个路灯无论其是否为故障状态,都不点亮对应的LED灯。同时,七段数码管也不点亮。
当使能端开启时,设定一个cnt作为计数器,使用always语句检测每一个路灯是否故障,如果该路灯故障,点亮对应的LED灯,并使cnt计数器(每次循环前,cnt置零)加1;如果该路灯不故障,用七段数码管hex显示cnt对应的数字。
Verilog代码
1 | module street_lamp_detector(w, hex, leds); |
实验测试
开发板引脚分配
引脚绑定设置如下:
联机调试
① 使能端Enable未启动(SW8为0)
此时,所有器件不工作:
② 使能端Enable启动(SW8为1)
如下面两图所示,7端数码管HEX0可以根据正确显示:SW0-SW7的对应故障个数:

总结
通过本次课程设计,掌握了有关同步时序电路的知识,了解了同步时序电路的基本设计步骤,并同通过这些知识设计出了基于时序电路的计数器,完成了数字电子钟的仿真设计。
通过本次课程设计,掌握了Verilog语言的基本特征,学习了always、if、case等语句。结合Altera ED2-115开发版,通过Verilog语言进行编程,最终实现了一个路灯巡回检测器。